Published:2013/2/18 0:46:00 Author:Ecco | Keyword: Photodiode signal conditioning , barcode scanner | From:SeekIC

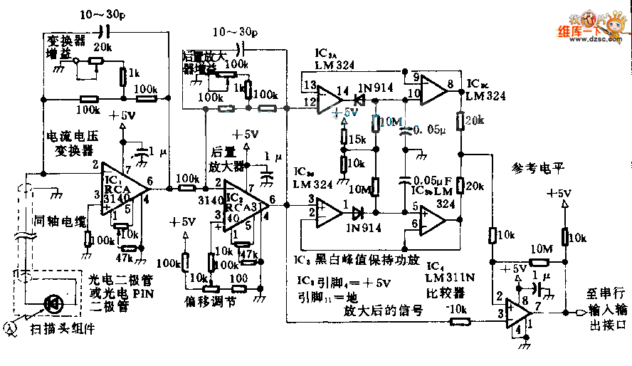
The circuit is used for processing the level signal of the photodiode in barcode scanner, the current output of IC1 will be converted into a voltage output and further being amplified in the IC2. The amplified signal is sent to the peak holding circuit, thereby establishing a reference level, then the comparator output is 0 or 1.
Reprinted Url Of This Article:
http://www.seekic.com/circuit_diagram/Basic_Circuit/Photodiode_signal_conditioning_circuit_diagram_of_barcode_scanner.html
Print this Page | Comments | Reading(3)
Code: