Published:2011/7/26 2:59:00 Author:Christina | Keyword: Pincushion correction circuit | From:SeekIC

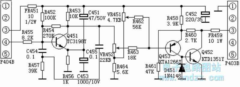
The field sawtooth wave voltage adds to the pincushion correction circuit through the pin-4 of P404, the integral circuit is composed of the R455, C454 and R457, this integral circuit integrates the field sawtooth wave to form the convex parabolic wave voltage, and this voltage adds to the B pole of the parabolic wave plastic amplification tube Q451 to be amplified and reformed, and the C pole outputs the 9V (peak-peak value) concave parabolic wave voltage, this voltage adds to the B pole of the composited tube which is composed of the Q453 and Q452 through the horizontal amplitude adjustment and left & right pincushion distortion adjustment network, so the C pole of the Q452 outputs the 12.5V (peak-peak value) parabolic wave voltage.
Reprinted Url Of This Article:
http://www.seekic.com/circuit_diagram/Basic_Circuit/Pincushion_correction_circuit.html
Print this Page | Comments | Reading(3)
Code: