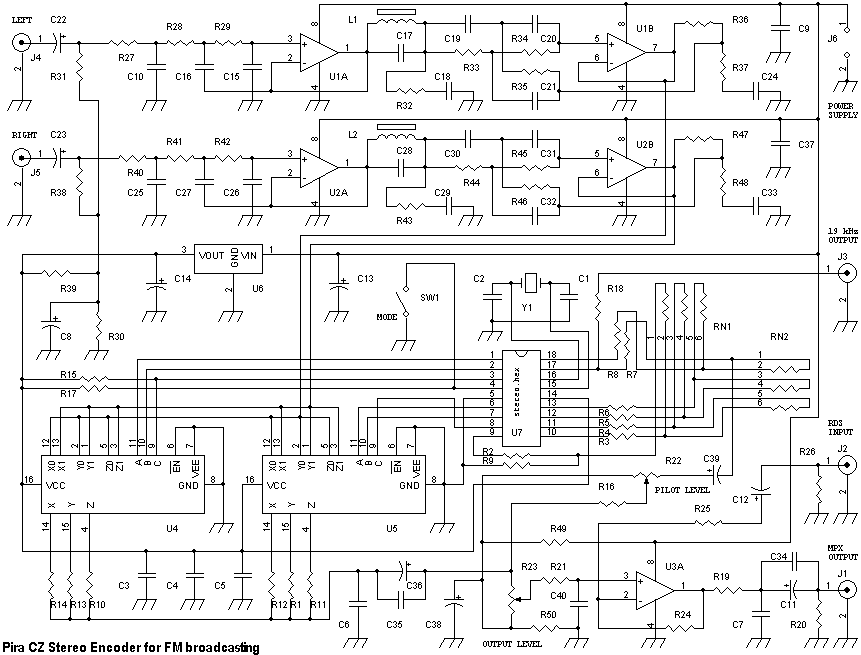
Published:2013/2/19 20:19:00 Author:muriel | Keyword: Pira CZ, Stereo Encoder, FM broadcasting | From:SeekIC

Reprinted Url Of This Article:
http://www.seekic.com/circuit_diagram/Basic_Circuit/Pira_CZ_Stereo_Encoder_for_FM_broadcasting_2.html
Print this Page | Comments | Reading(3)
Code: