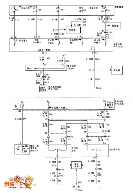
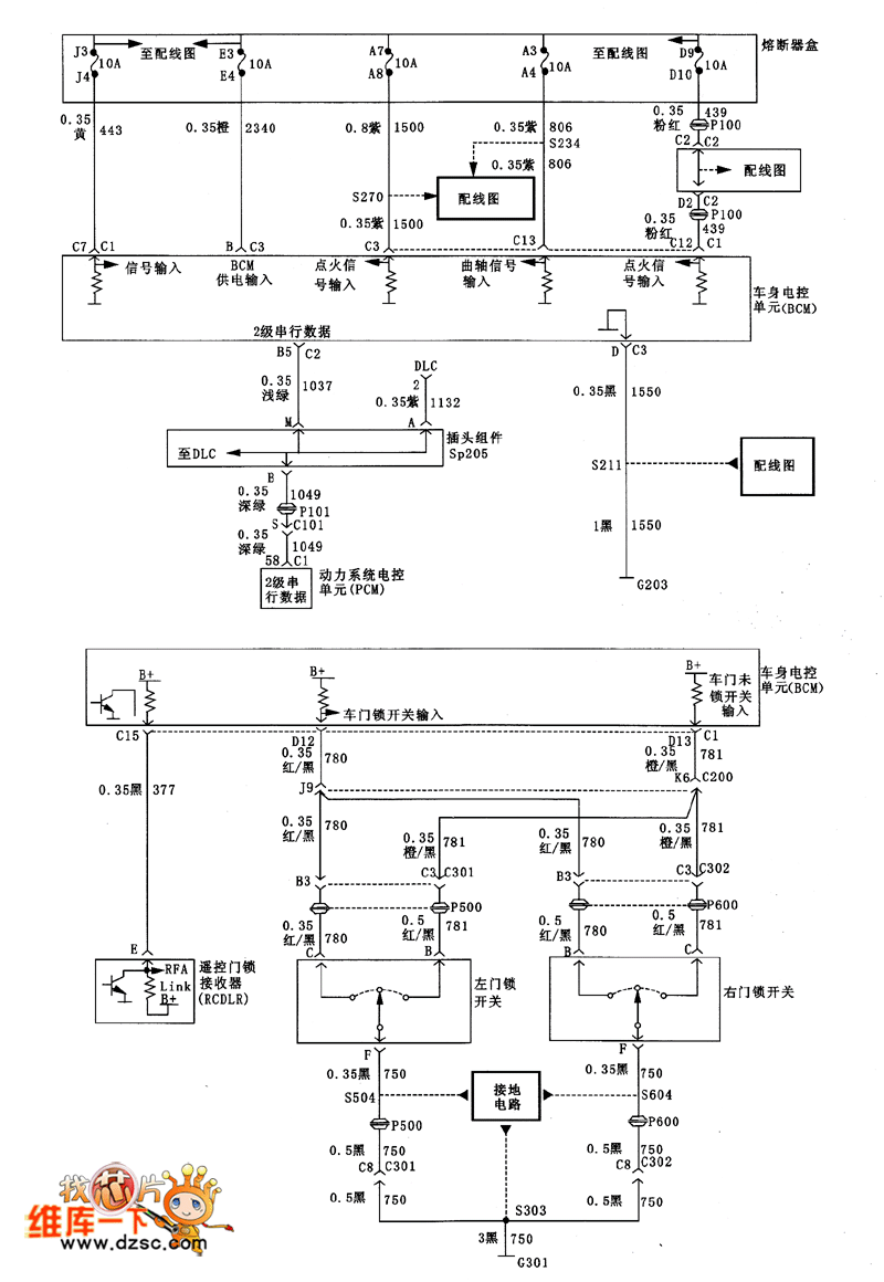
Published:2013/12/24 20:24:00 Author:lynne | Keyword: Power Door Locks input circuit, | From:SeekIC

Power Door Locks input circuit shown in Figure:
Reprinted Url Of This Article:
http://www.seekic.com/circuit_diagram/Basic_Circuit/Power_Door_Locks_input_circuit.html
Print this Page | Comments | Reading(3)
Code: