Published:2011/9/14 21:11:00 Author:Rebekka | Keyword: Power factor compensation | From:SeekIC

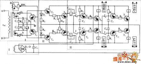
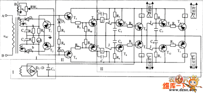
The controller is divided into measurement part, Enlarged part of the DC, executing part and power supply part by dotted line. The operation is as follows: Converting the phase displacement between AC voltage and current into DC voltage signal. Then making DC driver signal amplification work in sections, theninput or remove to compensation capacitor.
Reprinted Url Of This Article:
http://www.seekic.com/circuit_diagram/Basic_Circuit/Power_factor_compensation_schematic_circuit_diagram.html
Print this Page | Comments | Reading(3)
Code: