Published:2011/8/15 1:56:00 Author:Ecco | Keyword: Production volume, automatic counter | From:SeekIC

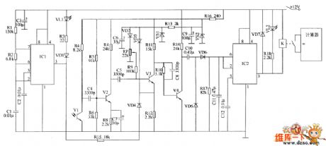
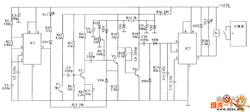
The production volume automatic counter circuit is composed of the infrared transmitter, infrared receiver processing circuit, voltage doubling rectifying circuit, control implementation circuit and counting display circuit, and it is shown as the chart. Infrared transmitter circuit consists of the infrared light-emitting diode VL1, resistors R1 ~ R3, diode VD1, capacitors C1 ~ C3 and time-base integrated circuit IC1. Infrared receiver processing circuit consists of the infrared phototransistor V1, transistors V2 ~ W, resistors M ~ R16, capacitors C4 ~ C9, regulator diodes VS1, VS2 and potentiometer RP. Voltage doubling rectifying circuit is composed of the capacitors CIO and C11, diode VD5 and resistors R17 and VD6.
Reprinted Url Of This Article:
http://www.seekic.com/circuit_diagram/Basic_Circuit/Production_volume_automatic_counter_circuit_diagram_3.html
Print this Page | Comments | Reading(3)
Code: