Published:2014/4/8 21:13:00 Author:lynne | Keyword: Promote grounding load large current negation gate circuit diagram | From:SeekIC

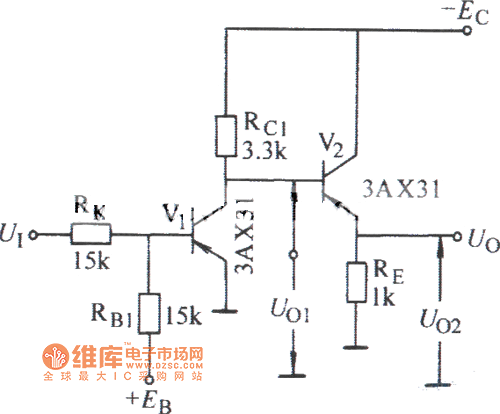
Promote grounding load large current negation gate circuit diagram shown as follow:
Reprinted Url Of This Article:
http://www.seekic.com/circuit_diagram/Basic_Circuit/Promote_grounding_load_large_current_negation_gate_circuit_diagram.html
Print this Page | Comments | Reading(3)
Code: