Published:2011/6/27 2:24:00 Author:Nicole | Keyword: psychological stress, alleviating | From:SeekIC

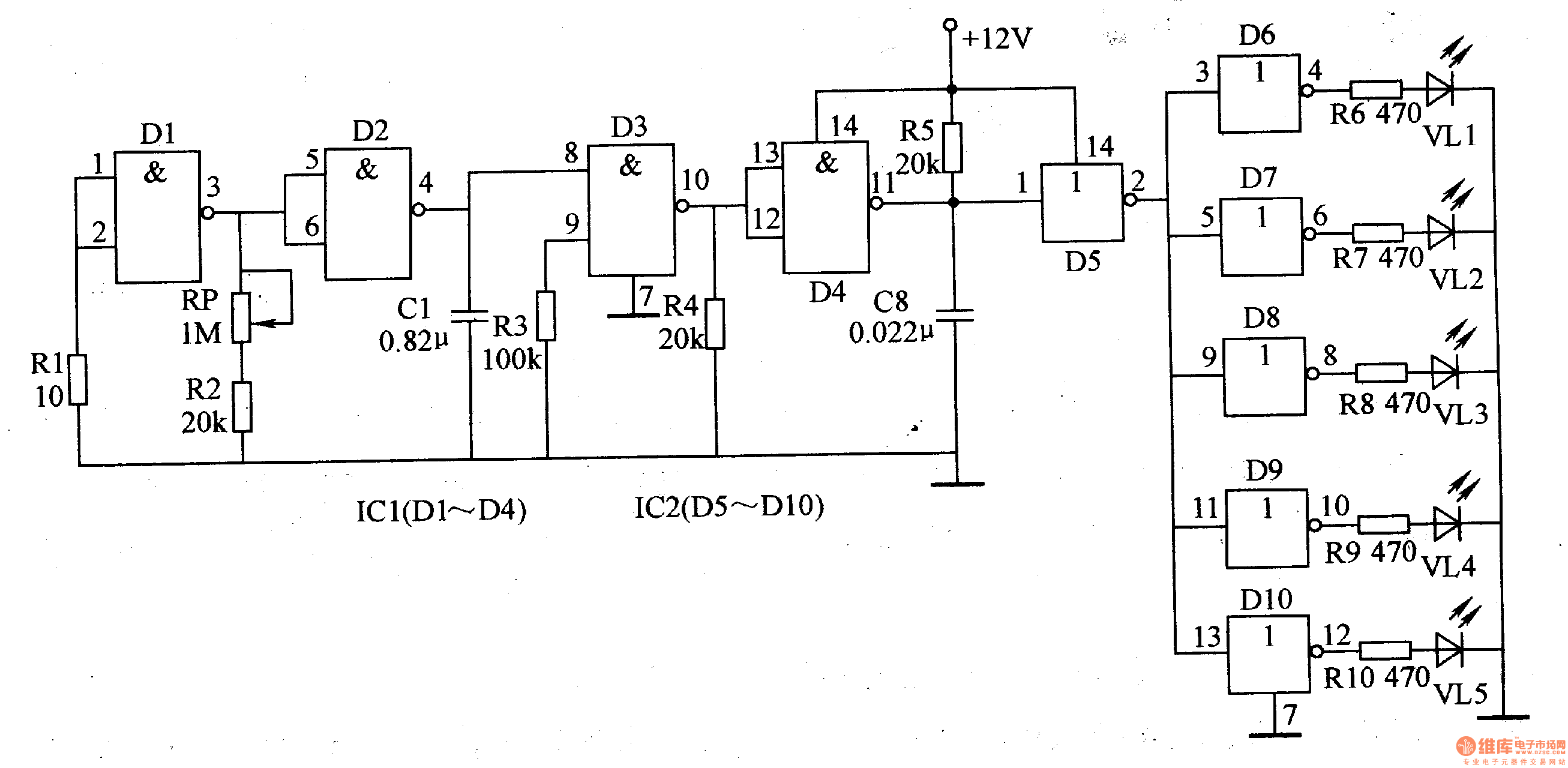
This psychological stress alleviating circuit is composed of low frequency oscillator, high frequency oscillator and not gate circuit, it is shown in the figure 9-150.
The low frequency oscillator is made of not gate integrated circuits D1, D2 and oher peripheral devices, the work frequency is 2-20Hz.
The high frequency oscillator consists of D3, D4 and oher peripheral devices, the work frequency is 1KHz.
The low frequency oscillator's frequency can be changed between 2-20Hz by adjusting potentiometer RP, then the flashing frequency of LEDs will be changed.
Reprinted Url Of This Article:
http://www.seekic.com/circuit_diagram/Basic_Circuit/Psychological_stress_alleviating_3.html
Print this Page | Comments | Reading(3)
Code: