Published:2009/7/8 4:34:00 Author:May | From:SeekIC

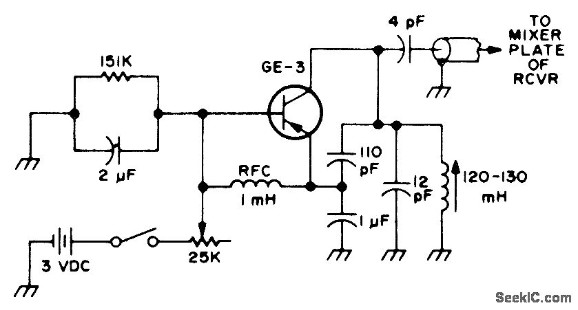
Transistorized Q multiplier can be connected to plate of mixer in receiver having IF in range of 1400-1500 kHz. Iron-core coil should have high a. Setting of pot depends on transistor used, which could also be HE-3 or 2N1742.-Q&A, 73 Magazine, April 1977,p 165.
Reprinted Url Of This Article:
http://www.seekic.com/circuit_diagram/Basic_Circuit/QMULTIPLIER_.html
Print this Page | Comments | Reading(3)
Code: