Published:2009/7/23 23:21:00 Author:Jessie | From:SeekIC

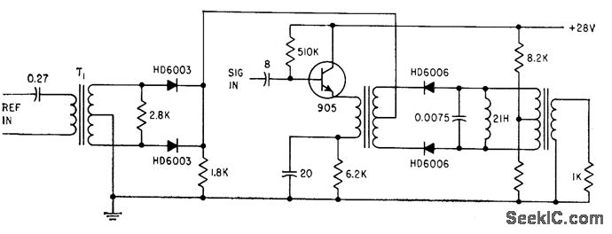
Suppresses quadrature voltages in servo loops while delivering in-phase a-c signal. Phase reference voltage controls two unmatched diodes so they conduct only when in-phase signal component is passing through maximum and quadrature is passing through minimum. Prevents overload of amplifier.-B. Fennick, Phase-Selective Gate Rejects Quadrature, Electronics, 31:51, p 89-91.
Reprinted Url Of This Article:
http://www.seekic.com/circuit_diagram/Basic_Circuit/QUADRATURE_VOLTAGE_REJECTION.html
Print this Page | Comments | Reading(3)
Code: