Published:2009/7/9 23:06:00 Author:May | From:SeekIC


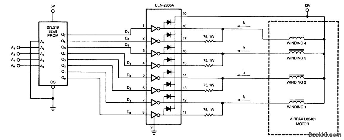
Using a counter and a PROM, this circuit drives the stepper windings with two levels of current.
Reprinted Url Of This Article:
http://www.seekic.com/circuit_diagram/Basic_Circuit/QUARTER_STEP_STEPPER_MOTOR_DRIVER.html
Print this Page | Comments | Reading(3)
Code: