Published:2009/7/15 2:24:00 Author:Jessie | From:SeekIC

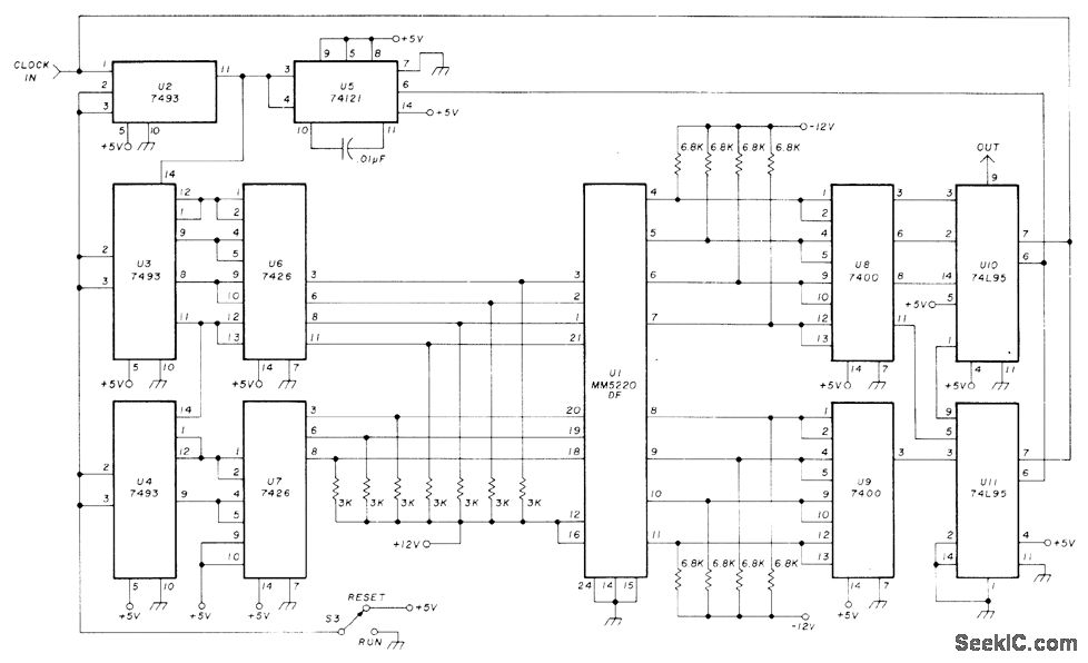
TTL ICs and National MM5220DF preprogrammed MOS read-only memory chip together generate standard RTTY test message:THE QUICK BROWN FOX JUMPS OVER THE LAZY DOG 1234567890 DE. Requires external clock providing sharp negative-going pulse train at frequency corresponding to RTTY speeds desired Requires two supplies, for +5 V and 112 V.-K. Ebneter and J. Romelfanger, RTTY Test-Message Generator, Ham Radio, Nov. 1976, p 30-32.
Reprinted Url Of This Article:
http://www.seekic.com/circuit_diagram/Basic_Circuit/QUICKBROWN_FOX_GENERATOR.html
Print this Page | Comments | Reading(3)
Code: