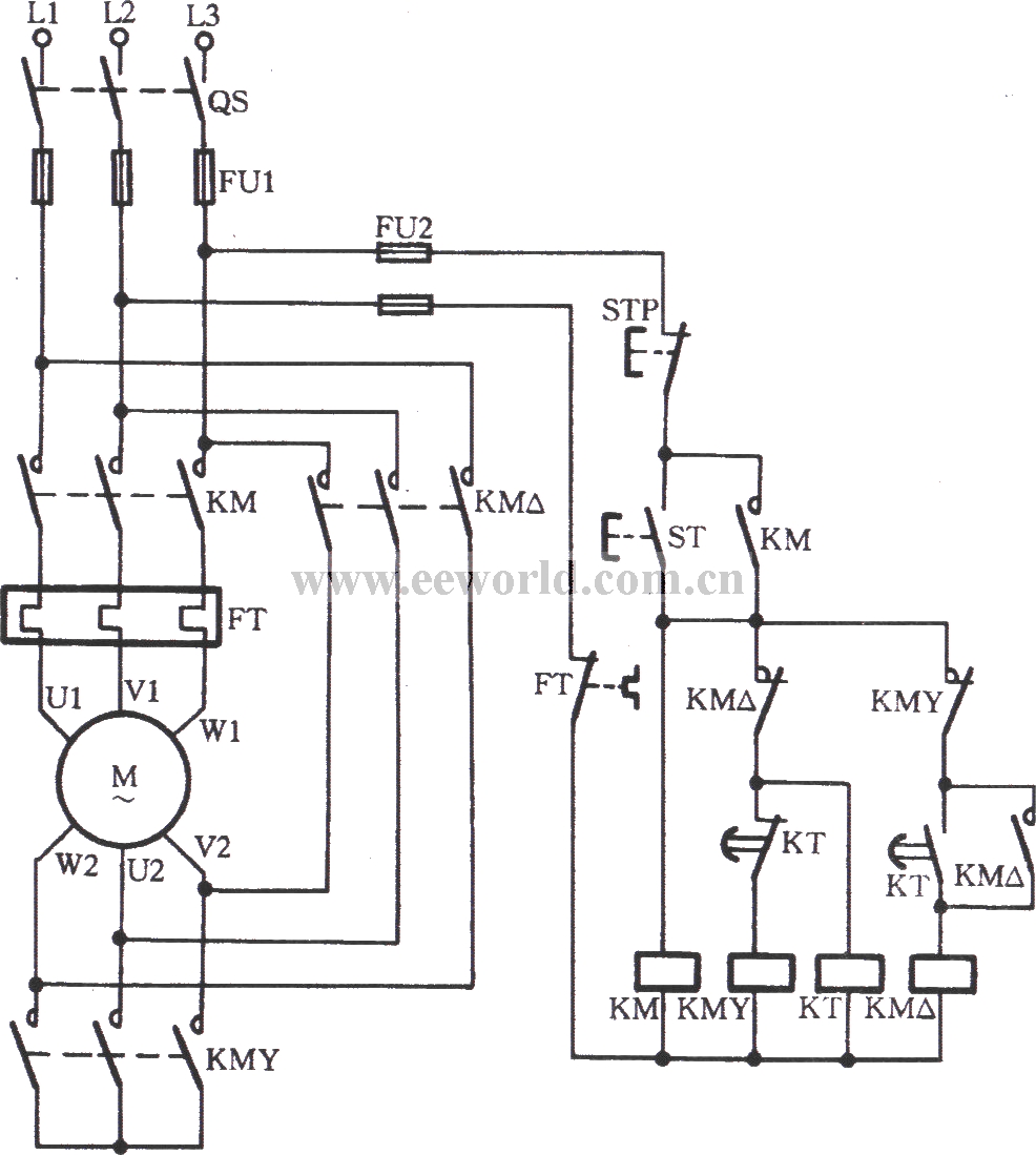
Published:2011/12/7 1:54:00 Author:Ecco | Keyword: Y-△ buck Starter | From:SeekIC

Reprinted Url Of This Article:
http://www.seekic.com/circuit_diagram/Basic_Circuit/QX3_13_Y_△_buck_starter.html
Print this Page | Comments | Reading(3)
Code: