Published:2009/7/10 2:27:00 Author:May | From:SeekIC

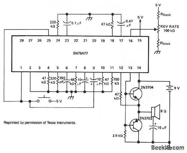
For two simultaneous race-car sounds, the mixer can be multiplexed between the SLF and VCO functions.
Reprinted Url Of This Article:
http://www.seekic.com/circuit_diagram/Basic_Circuit/RACE_CAR_MOTOR_CRASH.html
Print this Page | Comments | Reading(3)
Code: