Published:2009/7/20 1:44:00 Author:Jessie | From:SeekIC

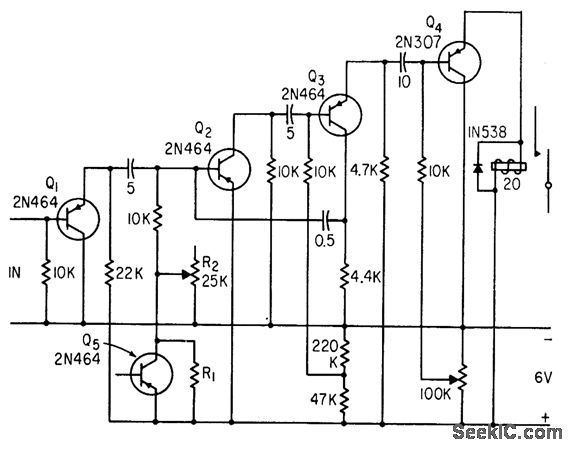
Signals from inductive pickup near rail are amplified enough to drive sensitive relay of pen recorder. Amplifier does not block after being overloaded when pickup passes over rail joint.-H. W. Keevil, Transistor Pulse Amplifiers Detect Rail Faults, Electronics, 35:21, p 53-54.
Reprinted Url Of This Article:
http://www.seekic.com/circuit_diagram/Basic_Circuit/RAIL_FAULTDETECTING_AMPLIFIER.html
Print this Page | Comments | Reading(3)
Code: