Published:2009/7/7 22:11:00 Author:May | From:SeekIC

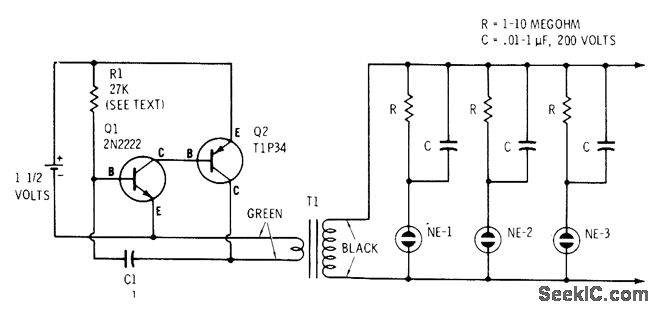
Neon glow lamps such as Radio Shack 272-1101 flash in unpredictable sequences at various rates that are determined by values of R and C used for each lamp, to give attention-getting display for classrooms and Science Fairs. Value of R1 can be as low as 2200 ohms for higher repetition rates, but battery drain increases. When circuit is energized, each neon receivesfull voltage and fires. Lamp capacitor begins charging, decreasing voltage across lamp until lamp goes out and cycle starts over. Use of different capacitor values makes lamps recycle at different rates. T1 is 6.3-VAC filament transformer used to step up oscillator voltage.-F. M. Mints, Transistor Projects, Vol, 2, Radio Shack, Fort Worth, TX,1974, p 43-52.
Reprinted Url Of This Article:
http://www.seekic.com/circuit_diagram/Basic_Circuit/RANDOM_FLASHING_NEONS.html
Print this Page | Comments | Reading(3)
Code: