Published:2009/7/1 21:37:00 Author:May | From:SeekIC

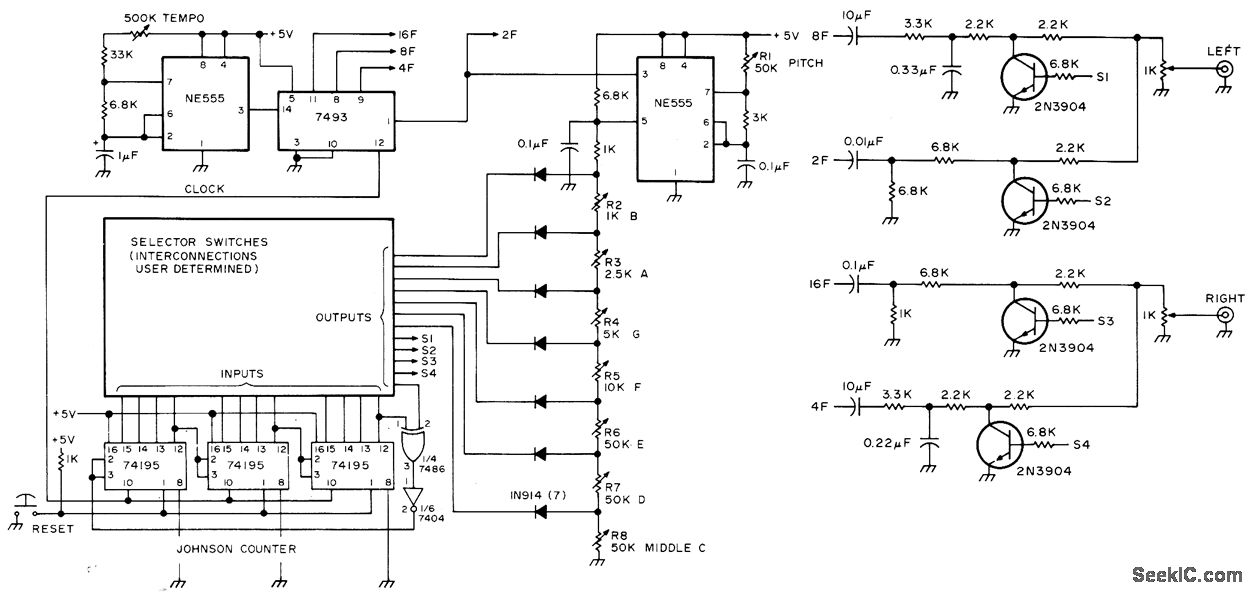
Uses Johnson counter as special shift register producing almost random bit patterns of 18 to 3255 12-bit words under control of clock operating in range of about 1-10 Hz. Oscillator (upper right) uses NE555 as voltage-controlled square-wave generator playing one of eight musical notes (C. D. E. F. G. A. B. or C), depending on state of seven noteselector lines coming from selector switches. Oscillator is divided down in frequency by three-stage ripple counter to provide four octaves of range. R1 -R8 serve fortuning each note to pitch. Outputs 8F and 2F are paired to drive left input of stereo amplifier, while outputs 16F and 4F are similarly paired for right channel. Article covers construction, tune-up, and creation of pleasing musicalsequences.-D. A. WalIace. The Sound of Random Numbers. 73 Mag-azine. Feb. 1976, p 60-64.
Reprinted Url Of This Article:
http://www.seekic.com/circuit_diagram/Basic_Circuit/RANDOM_MUSIC.html
Print this Page | Comments | Reading(3)
Code: