Published:2009/7/16 3:34:00 Author:Jessie | From:SeekIC

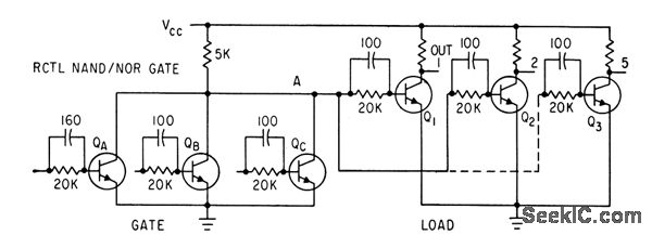
Resistors and capacitors in base circuits permit higher fan-out and give logic swing of 2v for high noise rejection in integrated-circuit logic.-A. E, Skoures, Choosing Logic for Microelectronics, Electronics, 36:40, p 23-26.
Reprinted Url Of This Article:
http://www.seekic.com/circuit_diagram/Basic_Circuit/RCTL_NAND_NOR_GATE.html
Print this Page | Comments | Reading(3)
Code: