Published:2009/7/6 21:54:00 Author:May | From:SeekIC

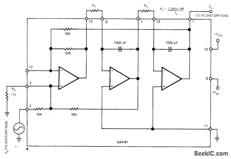
Use of UAF41 universal active filter at output of function generator reduces distortion of sine-wave output by eliminating some of harmonics. In typical application, two-pole active filter reduces 1% distortion down to 0.1%, using low-pass configuration. Articlegives design equations. For 1-kHz cutoff, R1, should be 159.2K.-Y. J. Wong, Design a Low Cost, Low-Distortion, Precision Sine-Wave Oscillator, EDN Magazine, Sept. 20, 1978,p107-113.
Reprinted Url Of This Article:
http://www.seekic.com/circuit_diagram/Basic_Circuit/REDUC_DISTORTION_.html
Print this Page | Comments | Reading(3)
Code: