Published:2009/7/9 4:37:00 Author:May | From:SeekIC

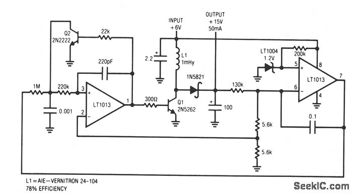
This converter delivers up to 50 mA from a 6-V battery with 78% efficiency. This flyback converter functions by feedback-controlling the frequency of inductive flyback events. The inductor's output, rectifted and filtered to dc, biases the feedback loop to establish a stable output. If the converter's output is below the loop setpoint, A2's inputs unbalance and current is fed through the 1-MΩ resistor at A1. This ramps the 1000-pF value positive. When this ramp exceeds the 0.5-V potential at A1's positive input, the amplifier switches high. Q2 turns on, discharging the capacitor to ground. Simultaneously, regenerative feedback through the 200-pF value causes a positive-going pulse at A1's positive input, sustaining Al's positive output. Q1 comes on, allowing inductor, L1, current to flow. When Al's feedback pulse decays, its output becomes low, turning off Q1. Q1's collector is pulled high by the inductor's flyback and the energy is stored in the 100-μF capacitor. The capacitor's voltage, which is the circuit output, is sampled by A2 to close a loop around A1/Q1. This loop forces A1 to oscillate at whatever frequency is required to maintain the 15-V output.In-phase transformer windings for the drain and gate of TMOS power FET Q1 cause the circuit to oscillate. Oscillation starts when the feedback coupling capacitor, C1, is charged from the supply line via a large resistance; R2 and R3 limit the collector current to Q2. During pump-up the on time is terminated by Q2, which senses the ramped source current of Q1. C1 is charged on alternate half-cycles by Q2 and forward-biased by zener D2.When the regulated level is reached, forward bias is applied to Q2, terminating the on time earlier at a lower peak current. When this occurs, the frequency increases in inverse proportion to current, but the energy per cycle decreases in proportion to current squared. Therefore, the total power coupled through the transformer to the secondary is decreased.
Reprinted Url Of This Article:
http://www.seekic.com/circuit_diagram/Basic_Circuit/REGULATED_15_VSUBOUT_SUB_6_V_DRIVEN_CONVERTER.html
Print this Page | Comments | Reading(3)
Code: