Published:2009/7/14 2:04:00 Author:May | From:SeekIC

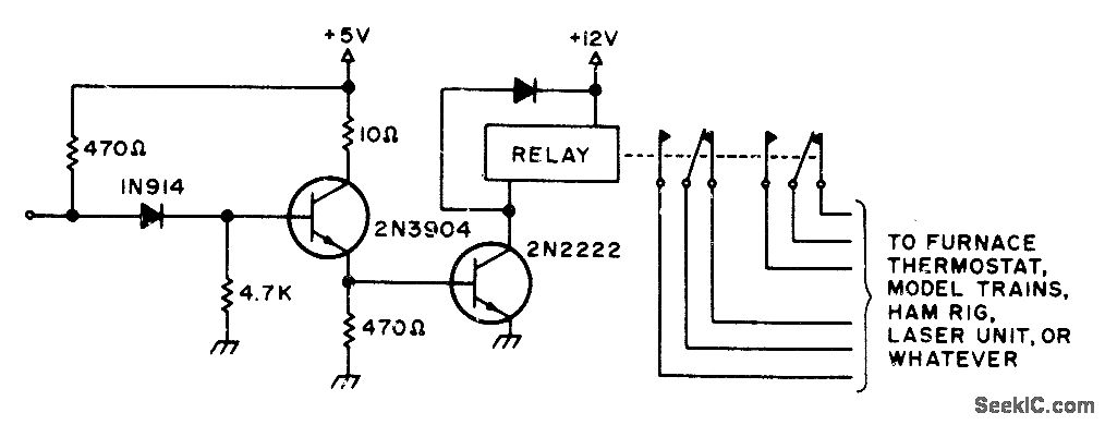
Logic input of 0 turns first transistor off, allowing base of next transistor to go high so it turns on and energizes relay for achieving desired control function.-D, D. Mickle, Practical Computer Projects, 73 Magazine, Jan. 1978, p 92-93.
Reprinted Url Of This Article:
http://www.seekic.com/circuit_diagram/Basic_Circuit/RELAY_DRIVE.html
Print this Page | Comments | Reading(3)
Code: