Published:2009/7/15 5:56:00 Author:Jessie | From:SeekIC

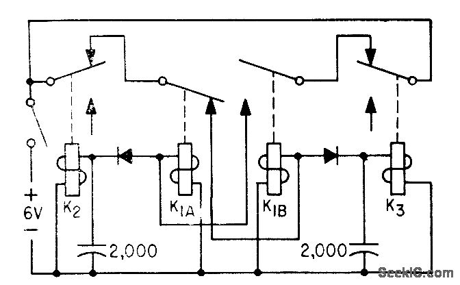
Use of diodes to isolate capacitors reduces capacitance requirements for low frequencies. High-resistance relays for K2 and K3 cut costs.-R. L. lves, Multivibrator for Low Frequencies Uses Relays, Electronics, 34:32, p 166-169.
Reprinted Url Of This Article:
http://www.seekic.com/circuit_diagram/Basic_Circuit/RELAY_MVBR_WITH_ISOLATOR_DIODES.html
Print this Page | Comments | Reading(3)
Code: