Published:2009/7/15 5:00:00 Author:Jessie | From:SeekIC

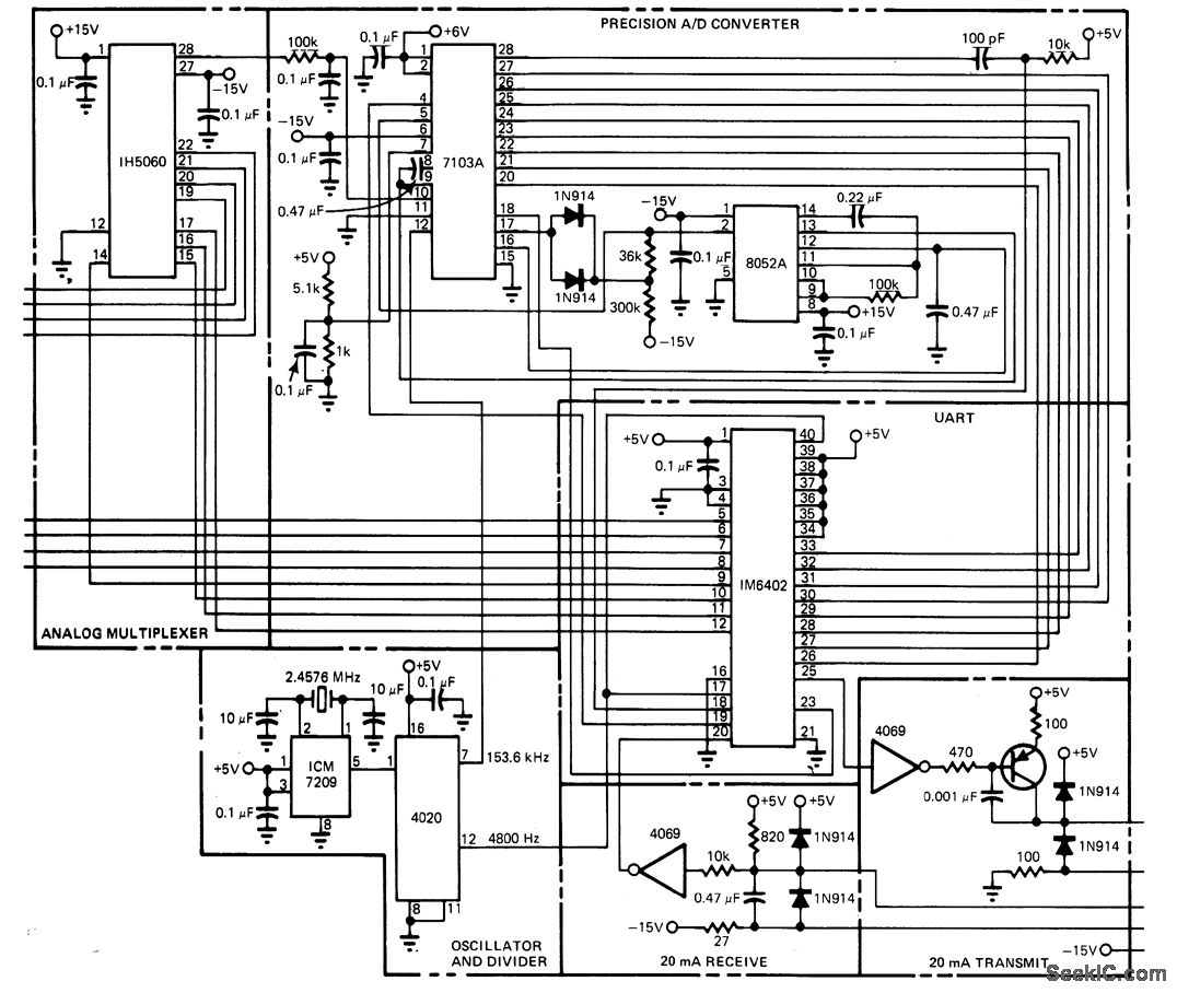
Circuit monitors DC voltages applied to pins 19 and 20 of IH5060 multiplexer and converts them to digital format for transmission as serial data to remote microprocessor. IM6100 remote host processor sends control signals to IM6402 UART to select individual multiplexer channels. Single 7209 oscillator provides clock signal for A/D converter and UART. Developed for use with Intercept Jr. microprocessor system.-S. Osgood, Remote Data Station Simplifies Data Gathering, EDN Magazine, Jan. 20, 1978, p 38 and 41.
Reprinted Url Of This Article:
http://www.seekic.com/circuit_diagram/Basic_Circuit/REMOTE_DATA_STATION.html
Print this Page | Comments | Reading(3)
Code: