Published:2009/7/7 3:18:00 Author:May | From:SeekIC

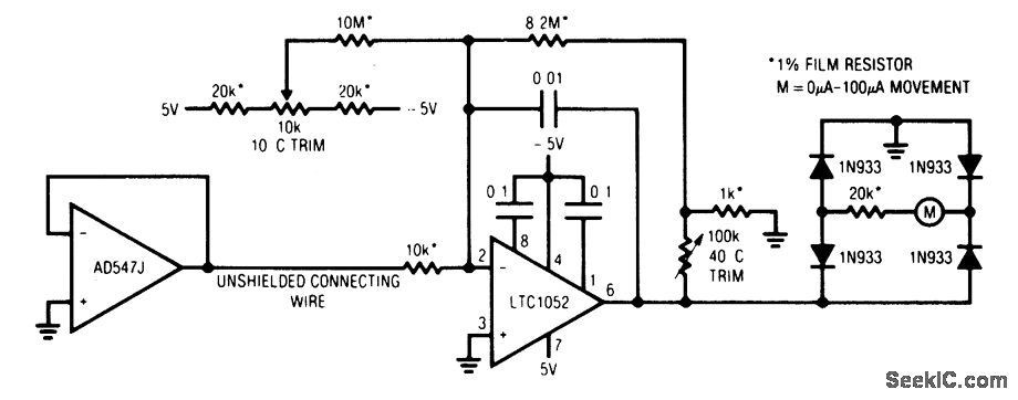
The low output impedance of a closed loop op amp gives ideal line-noise immunity, while the op amp's offset voltage drift provides a temperature sensor. Using the op amp in this way requires no external components and has the additional advantages of a hermetic package and unit-to-unit mechanical uniformity if replacement is ever required.The op amp's offset drift is amplified to drive the meter by the LTC1052. The diode bridge connection allows either positive or negative op amp temperature sensor offsets to interface directly with the circuit. In this case, the circuit is arranged for a + 10℃ to +40℃ output, although other ranges are easily accommodated. To calibrate this circuit, subject the op amp sensor to a +10℃ environment and adjust the 10℃ trim for an appropriate meter indication. Next, place the op amp sensor in a +40℃ environment and trim the 40' adjustment for the proper reading. Repeat this procedure until both points are fixed. Once calibrated, this circuit will typically provide accuracy within ±2℃, even in high noise environments.
Reprinted Url Of This Article:
http://www.seekic.com/circuit_diagram/Basic_Circuit/REMOTE_THERMOMETER.html
Print this Page | Comments | Reading(3)
Code: