Published:2009/7/16 1:36:00 Author:Jessie | From:SeekIC

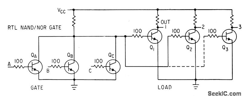
For integrated circuits, 100.ohm resistor in base lead of each transistor reduces waste curl rent, increases fan-out, and gives logic swing of 1 v.-A. E. Skoures, Choosing Logic for Microelectronics, Electronics, 36:40, p 23-26.
Reprinted Url Of This Article:
http://www.seekic.com/circuit_diagram/Basic_Circuit/RESISTOR_TRANSISTOR_NAND_NOR_GATE.html
Print this Page | Comments | Reading(3)
Code: