Published:2009/7/10 6:14:00 Author:May | From:SeekIC

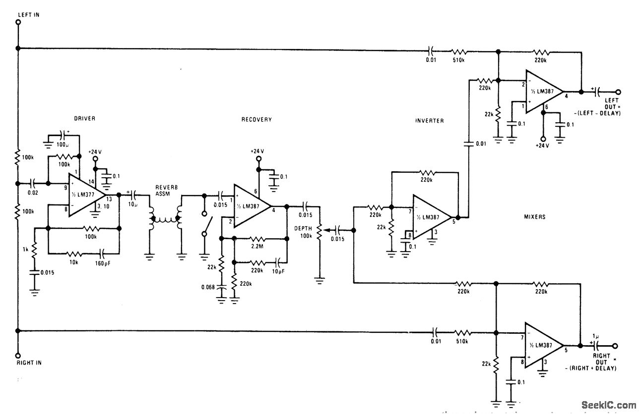
Can be used to synthesize stereo effect from monaural source or can be added to existing stereo sys-tem. Requires only one spring assembly, which can be Accutronics 4BB2CIA. All opamps are National LM387 low-noise dual units. Outputs are inverted scaled sums of original and delayed signals; left output is left signal minus delay, while right output is right signal plus delay. With mono source, both inputs are tied together and outputs become input minus delay and input plus delay.- Audio Handbook, National Semiconductor, Santa Clara, GA, 1977, p 5-7-5-10.
Reprinted Url Of This Article:
http://www.seekic.com/circuit_diagram/Basic_Circuit/REVERBERATION_ENHANCEMENT.html
Print this Page | Comments | Reading(3)
Code: