Published:2009/7/15 1:54:00 Author:Jessie | From:SeekIC

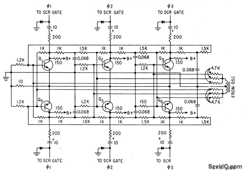
Supplies control signals for all three phases in correct sequence, working from symmetrical Hartley 1,200-cps oscillator,Uses three fip-flops.-M. Lilienslein, Static Inverler Delivers Regulated 3-Phase Power,Electronics,33:28,p55-59.
Reprinted Url Of This Article:
http://www.seekic.com/circuit_diagram/Basic_Circuit/RING_COUNTER_FOR_3_PHASE_INVERTER.html
Print this Page | Comments | Reading(3)
Code: