Published:2011/7/6 19:33:00 Author:Lucas | Keyword: RMS converter, DC converter | From:SeekIC

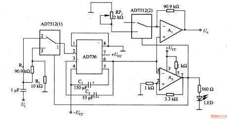
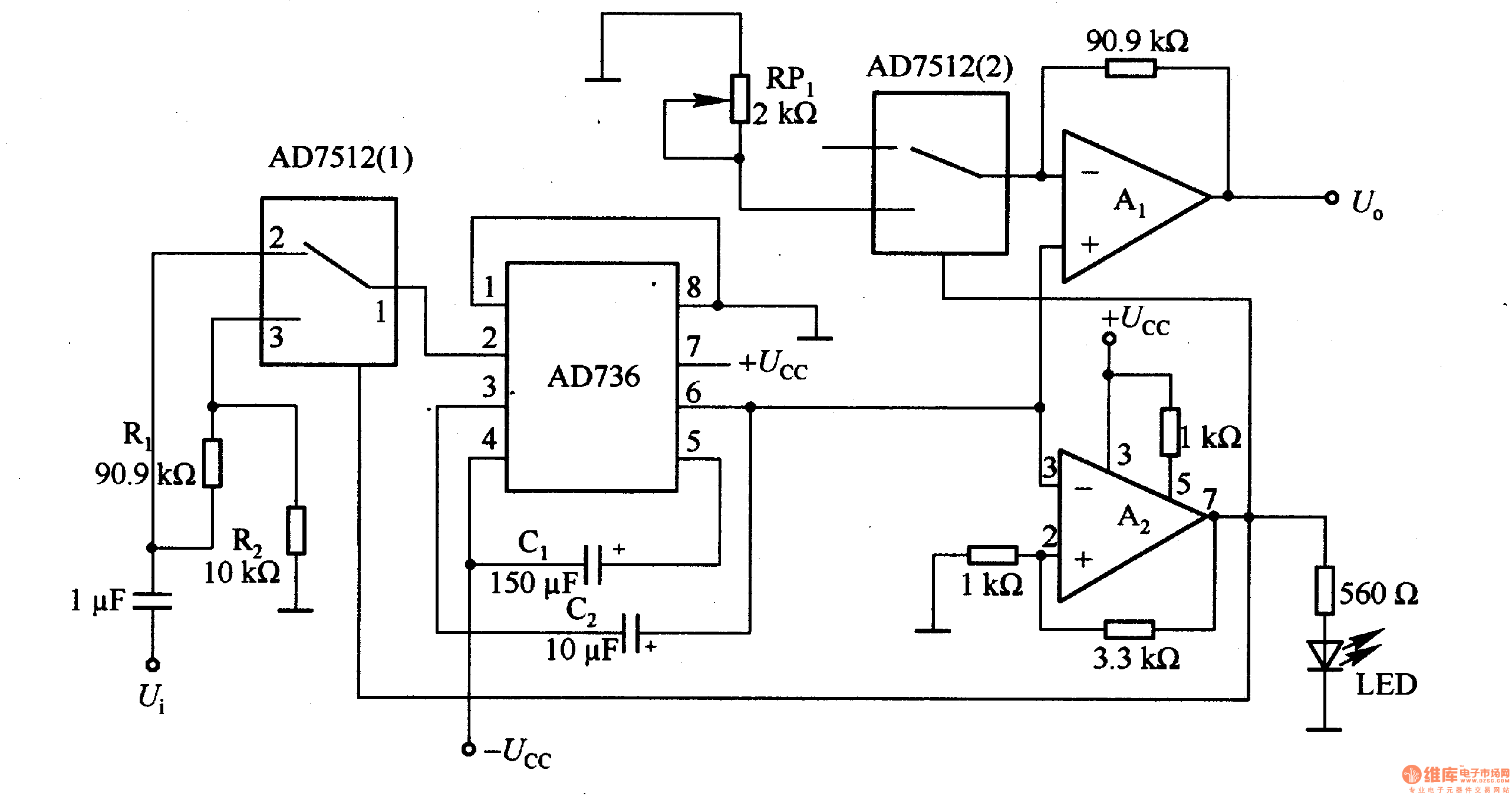
In the circuit, AD736 rms converter chip is the divice with full-scale voltage in lV, and A2 comparison amplifier will automatically zoom full-scale input voltage to the lOV. When rms is beyond the range of valid values in the second-rate conversion, A2's output control analog switch AD7512 (1) is connected to AD736 input attenuator. At the same time, it is connected to the output buffer amplifier A1 to improve the gain and stabilize the output voltage. When the input signal of AD736 in the range of 0.1 to 1V RMS conversion, AD7512 (1) analog switches 1 and 2 are connected.
Reprinted Url Of This Article:
http://www.seekic.com/circuit_diagram/Basic_Circuit/RMS___DC_converter_circuit_composed_of__AD736.html
Print this Page | Comments | Reading(3)
Code: