Published:2011/7/7 3:24:00 Author:Christina | Keyword: RMS level, measuring instrument | From:SeekIC

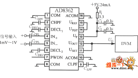
The RMS level measuring instrument circuit which is composed of the AD8362 is as shown in the figure, the output voltage of AD8362 is added to the digital voltmeter (DVM) directly. You should notice that the reading of DVM is proportional with the logarithm of the measured RMS voltage, so it is the voltage level measuring instrument, the display unit is dBv. When you are measuring the radio-frequency signal with high input frequency, you must use the measures as follow: the first is that you need to add the decoupling capacitor to the input port, the second is that you need to shorten the length of the input signal leads, the decoupling capacitor leads and the ground leads. The decoupling network of the +5V power supply is composed of the R1, C1 and C2.
Reprinted Url Of This Article:
http://www.seekic.com/circuit_diagram/Basic_Circuit/RMS_level_measuring_instrument_circuit_composed_of_the_AD8362.html
Print this Page | Comments | Reading(3)
Code: