Published:2009/7/12 21:40:00 Author:May | From:SeekIC

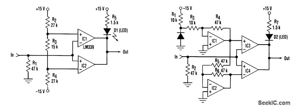
The tester is basically a window comparator, in which the low and high levels are set at +3.0 V and -3.0 V, respectively, by resistors R2, R3, and R4. Resistor R1, when not driven by an RS232 output, will have a low voltage across it (approximately 0 V), and the LED D1 at the output of the comparators is turned off. If the unknown wire of the cable that is tested is an RS232 output, then it will drive the in point to avoltage either between +3 and +12Vor between -3 and -12 V. In both cases, one of the two comparator outputs will be driven low. This turns the LED on, indicating the presence of a wire connected to an,RS232 output. The comparator should be an LM339 type or equivalent (with an open-collector output). The disadvantage of this scheme is that the thresholds are very sensitive to the supply variations. To eliminate this problem, the thresholds at the inputs of the comparators can be created using the normal forward drop on a simple diode and then be brought to the necessary leyels by IC1 (+3 V at its output) and IC2 (a simple inverter).
Reprinted Url Of This Article:
http://www.seekic.com/circuit_diagram/Basic_Circuit/RS232_TEST_CIRCUIT.html
Print this Page | Comments | Reading(3)
Code: