Published:2009/7/12 21:28:00 Author:May | From:SeekIC



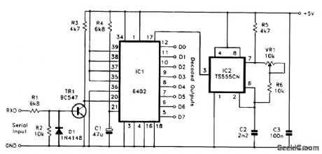
A simple serial decoder circuit based on a 6402 UART (IC1) is shown in the figure. The RS232C input signal is at signal levels of about ±12 V; these must be converted to standard 5-V logic levels before being applied to the serial input of IC1. A simple commonemitter switching stage based on transistor TR1 is used to provide the conversion to normal logic levels, and it also produces the necessary inversion of the input signal. Resistor R4 and capacitor C1 provide IC1 with a positive reset pulse at switch-on. The inputs at pins 35 to 39 program the word format; the method of connection shown in the figure provides a format on 1 start bit, 8 data bits, 1 stop bit, and no parity. Pin 34 is connected to the +5-V rati so that the binary pattem on pins 35 to 39 is loaded into IC1's control register. The decoded bytes of parallel data are available at pins 5 to 12, and pin 4 is connected to the 0 V rail so that these outputs are permanently enabled. In a stand-alone application, the tristate capability of these outputs is not of great value, but, if necessary, this facility can be utilized by applying a control signal to pin 4 of IC1.
Reprinted Url Of This Article:
http://www.seekic.com/circuit_diagram/Basic_Circuit/RS232_TO_PARALLEL_DATA_CONVERTER.html
Print this Page | Comments | Reading(3)
Code: