Published:2009/7/9 23:02:00 Author:May | From:SeekIC

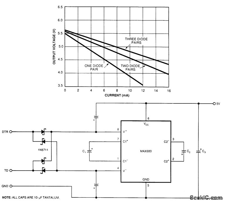
The circuit illustrates a way to power CMOS ICs from RS-232C lines. The MAX680 is normally used to generate a voltage eqqal to ±2 x VCC. This circuit does exactly the opposite. It takes in t 10.5 to ±12 V on the DTR and TD lines and puts out a 5.25- to 6-V signal. A pair of Schottky or silicon diodes rectifies each RS-232C line. The resultant energy is stored by the capacitors attached to the IC's V+ and V - pins. C1 or both C1 and C2 then reverse-charge pump the energy stored at the V+ and V- pins to C3. The input source current of the MAX680 is approximately equal to the voltage drop of any one of the diodes that is divided by the series resistance of 160Ω. When you drive this circuit from a 1488 driver with a ±12-V supply, it can deliver 5 V at 3 mA.
To increase the output current, you can use as many as three sets of diodes on each RS-242 line to provide 5 V at 8 mA. The more diodes you use, the lower the source resistance: RS equals the inversion of the sum of the diodes' conductances. If your circuit requires even more output current, you can place two MAX680s in parallel, tie their V + and V- capacitors together, and use separate C1 and C2 capacitors for each ship. If you do connect the devices in parallel, make sure not to exceed the power capability of the RS-232C lines.
Reprinted Url Of This Article:
http://www.seekic.com/circuit_diagram/Basic_Circuit/RS_232C_LINE_DRIVEN_CMOS_CIRCUITS.html
Print this Page | Comments | Reading(3)
Code: