© 2008-2012 SeekIC.com Corp.All Rights Reserved.
Published:2009/7/24 11:59:00 Author:Jessie | From:SeekIC


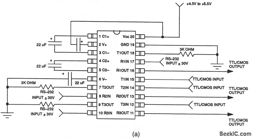
This circuit shows a DS1229 that is connected as a triple RS-232 transmitter/receiver. The DS1229 has two internal charge pumps that are used to generate ±10 V, and six level translators. Three of the translators are RS-232 that convert TTL/CMOS inputs into +9-V RS-232 outputs. The other three translators are RS-232 receivers that convert RS-232 inputs to 5-V TTL/CMOS outputs. Figurd 6-46B shows some typical RS-232 interconnections. Dallas Semiconductors, Product Data Book, 1992/1993, p. 10-33, 10-34.
Reprinted Url Of This Article:
http://www.seekic.com/circuit_diagram/Basic_Circuit/RS_232_transmitter_receiver_with_external_power.html
Print this Page | Comments | Reading(3)
Response in 12 hours
© 2008-2012 SeekIC.com Corp.All Rights Reserved.
Code: