Published:2009/7/10 21:05:00 Author:May | From:SeekIC

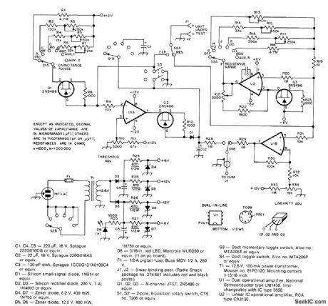
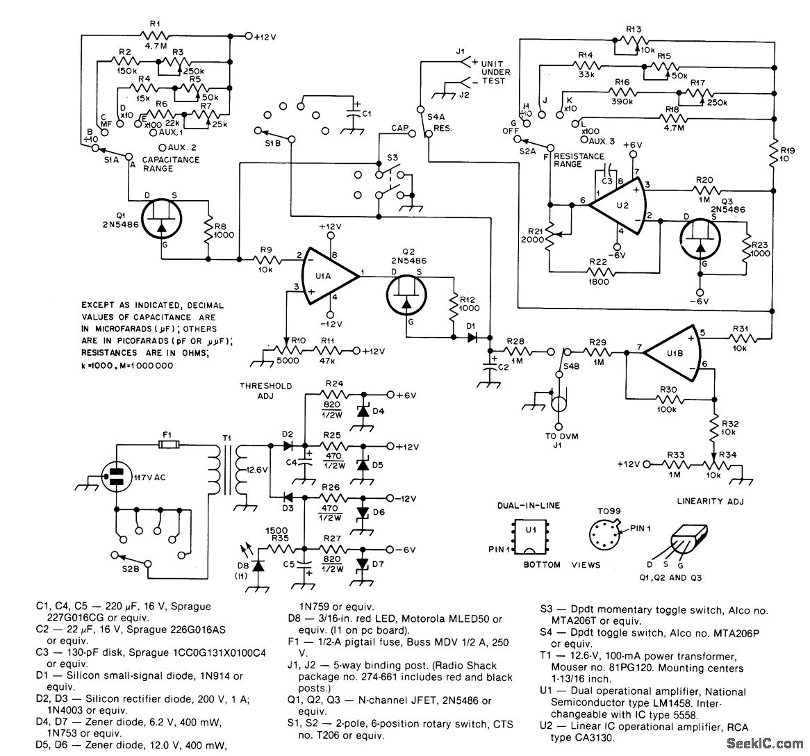
Self-contained circuit provides four ranges of capacitance (0-1, 10, 100, and 1000 μF) and four ranges of resistance (0-1, 10, 100, and 1000 kilohms) when used with QST combination digital voltmeter and frequency counter. Auxiliary range posilions on switches are provided for special measuring requirements such as temperature sensing, antenna elevation indication, and raingage measurements. For capacitors, constant-current source Q1 charges capacitor linearly.When charging voltage makes U1A switch from positive to negative,C2 stops charging Voltage across C2,proportional tovalue of unknown C2, is then fed to DVM, Article covers construction and calibration.-R Shriner,New Tasks for the Digital Voltmeter,QST,,March 1978,p 19-22.
Reprinted Url Of This Article:
http://www.seekic.com/circuit_diagram/Basic_Circuit/R_AND_C_ADAPTEB_FOR_DVM.html
Print this Page | Comments | Reading(3)
Code: