Published:2009/7/15 0:41:00 Author:Jessie | From:SeekIC

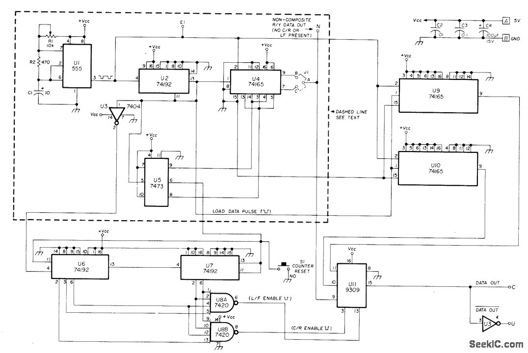
Uses ICs rather than PROM for automatic generation of sequence of 64 alternating Rs and Ys, plus Baudot codes for carriage return and line feed, as used for testing radioteletype equipment. Circuit in dashed lines generates codes for printing R and Y continuously without regard for line length. Jumper J1 gives choice of normal or inverted output data for keying transmitter with either mark-high or space-high signal. Operates at slightly less than 60 WPM Adjust R1 so clock pulse generator U1 runs at 45.45 Hz Article covers construction and operation-J,Loughmiller ,RTTY Test Generator,Ham Radio.Jan 1978,p 64-66.
Reprinted Url Of This Article:
http://www.seekic.com/circuit_diagram/Basic_Circuit/R_Y_TEST_GENERATOR.html
Print this Page | Comments | Reading(3)
Code: