Published:2009/7/22 23:08:00 Author:Jessie | From:SeekIC

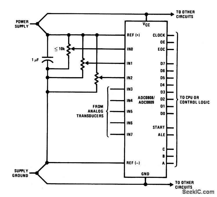
This circuit is similar to that of Fig. 6-13, except that the system power Supply is used as a reference. If used, supply noise must be kept to a minimum (with bypassing and separate supply-reference PC traces tapped as close as possible to the supply or regulator).
Reprinted Url Of This Article:
http://www.seekic.com/circuit_diagram/Basic_Circuit/Ratiometric_A_D_converter_zoith_power_supply_reference.html
Print this Page | Comments | Reading(3)
Code: