Published:2011/4/18 19:59:00 Author:Ecco | Keyword: Reading , writing , posture , reminder | From:SeekIC

When primary and secondary students do reading and writing, it is easy to affect the visual and physical health with wrong sitting position for a long time. This example describes the reading and writing posture reminder, it can help the user correct the posture by emitting the warning sounds when the position of the user is not correct.
The working principle.
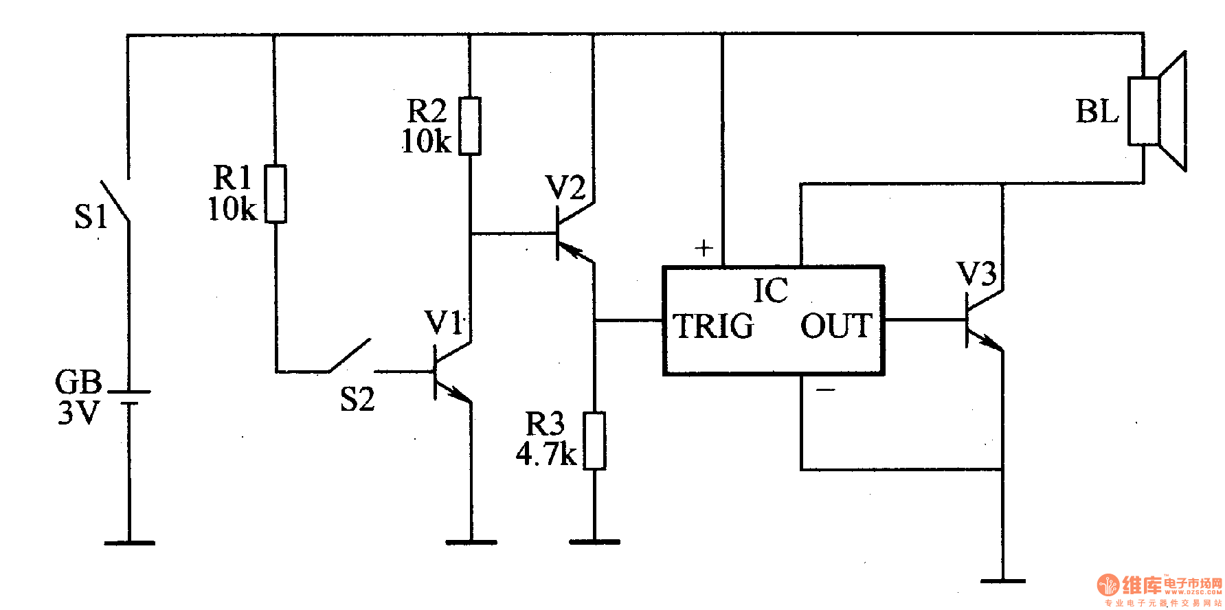
Reading and writing posture reminder circuit is composed ofelectronic switch circuit, alarm circuit and power circuit, it is shown as the Figure 9-160.
Electronic switching circuit is composedof the glass shell mercury switch S2, the transistor Vl, V2 and resistors
Alarm circuitis composed ofthe integrated circuit IC, audio amplification tube V3and speaker BL.
The power supply circuit is composed of power supply GB and power switch Sl.
Turning the power switch Sl, the powersupply GBprovides operating voltage for the machine.
Reprinted Url Of This Article:
http://www.seekic.com/circuit_diagram/Basic_Circuit/Reading_and_writing_posture_reminder.html
Print this Page | Comments | Reading(3)
Code: