Published:2011/7/19 11:22:00 Author:Michel | Keyword: Operational Amplifier, TransistorRegulating Circuit | From:SeekIC



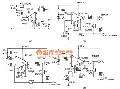
The picture a,b,c,d are regulating circuits of operational amplifier and transistor.The figure (a) is the high stability of operational amplifier output voltage circuit.A1 output uses VDZ1 level shift to make the work stable.VDZ2 is temperature compensation type diode and temperature characteristic is very good. Because the diode current is constant and voltage change is very small. VT1 emitter voltage is about 16V,thus VDZ2 is constant and output voltage is very stable.
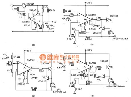
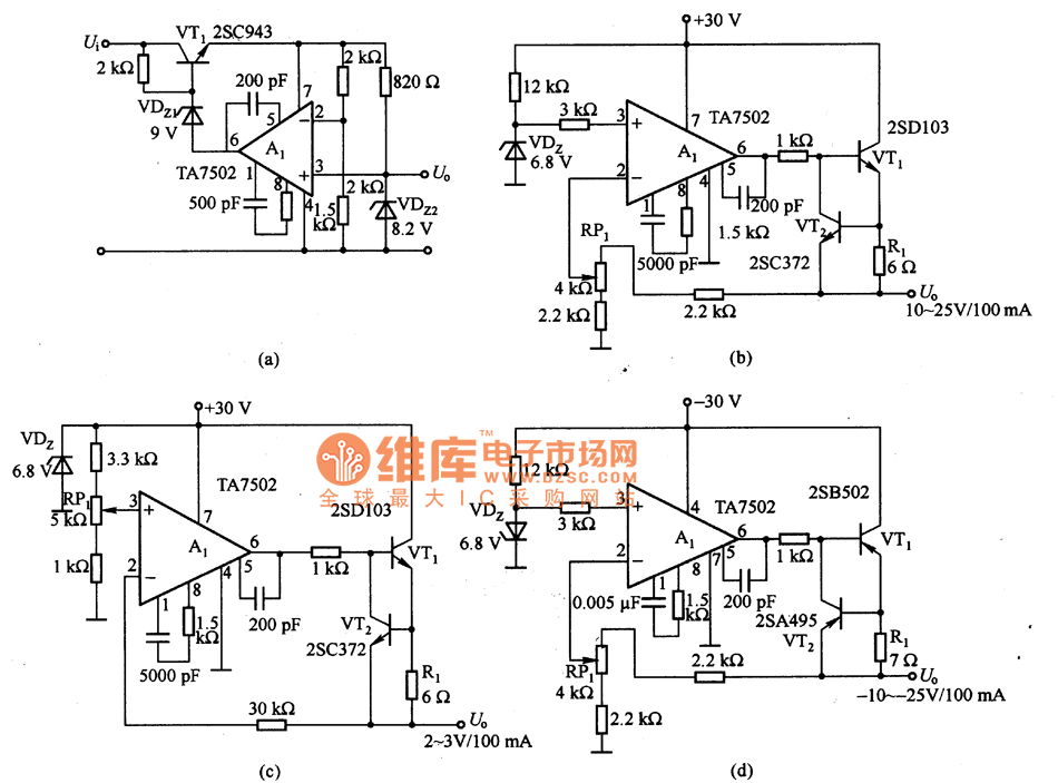
Figure(b)~(d) is error amplifier and it uses TA7502 voltage stability circuit.Among them, figure (b) is the circuit whose output voltage is higher than diode stabilizing voltage.
Reprinted Url Of This Article:
http://www.seekic.com/circuit_diagram/Basic_Circuit/Regulating_Circuit__of_Operational_Amplifier_and__Transistor.html
Print this Page | Comments | Reading(3)
Code: