Published:2011/7/12 3:26:00 Author:Michel | Keyword: Resistance, Coupling Voltage, Amplifier Circuit | From:SeekIC

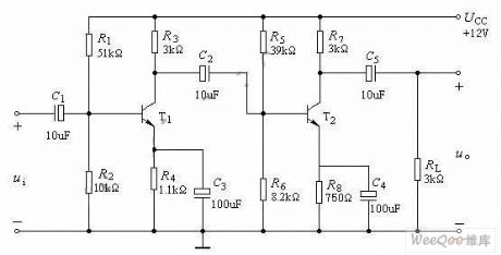
The above picture is a typical diode or triode resistance amplifier circuit.Because of C1,C2 stopping direct current effect and each level DC work condition is complete independent,thus they can be modulated indepently.But, for ac signal, all levels have close relationship,the former stage output voltage is the latter stage input signal and total voltage amplification times of two levels amplifiers are equal to all level amplifiers product,namely,u=Au1*Au2.Meanwhile, the latter level input impedance is the former stage load.
Reprinted Url Of This Article:
http://www.seekic.com/circuit_diagram/Basic_Circuit/ResistanceRCCoupling_Voltage_Amplifier_Circuit.html
Print this Page | Comments | Reading(3)
Code: