Published:2009/7/1 20:37:00 Author:May | From:SeekIC

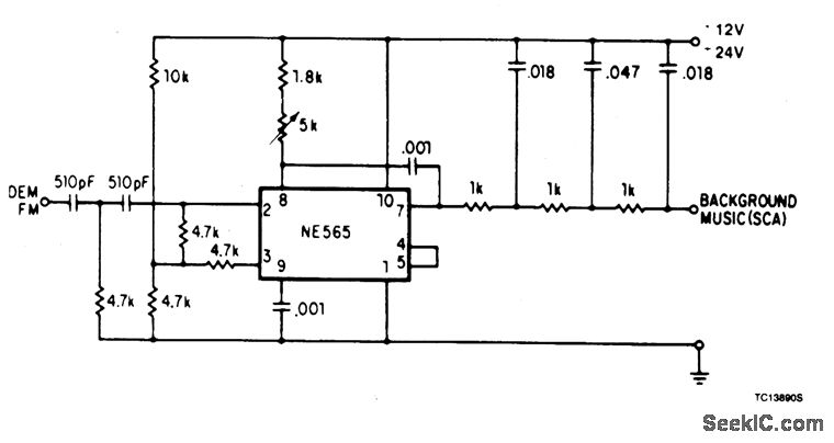
A resistive voltage divider is used to establish a bias voltage for the input (Pins 2 and 3). The demodulated (multiplex) FM signal is fed to the input through a two-stage high-pass filter, both to effect capacitive coupling and to attenuate the strong signal of the regular channel. A total signal amplitude, between 80 mV and 300 mV, is required at the input. Its source should have an impedance of less than 10,000 ohm. The Phase-Locked Loop is tuned to 67 kHz with a 5000 ohm potentiometer, only approximate tuning is required since the loop will seek the signal. The demodulated output (Pin 7) passes through a three-stage low-pass filter to provide de-emphasis and attenuate the high-frequency noise which often accompanies SCA transmission. Note that no capacitor is provided directly at Pin 7; thus, the circuit is operating as a first-order loop. The demodulated output signal is in the order of 50 mV and the frequency response extends to 7 kHz.
Reprinted Url Of This Article:
http://www.seekic.com/circuit_diagram/Basic_Circuit/SCA_Background_Music_DECODER.html
Print this Page | Comments | Reading(3)
Code: