Published:2009/7/15 22:59:00 Author:Jessie | From:SeekIC

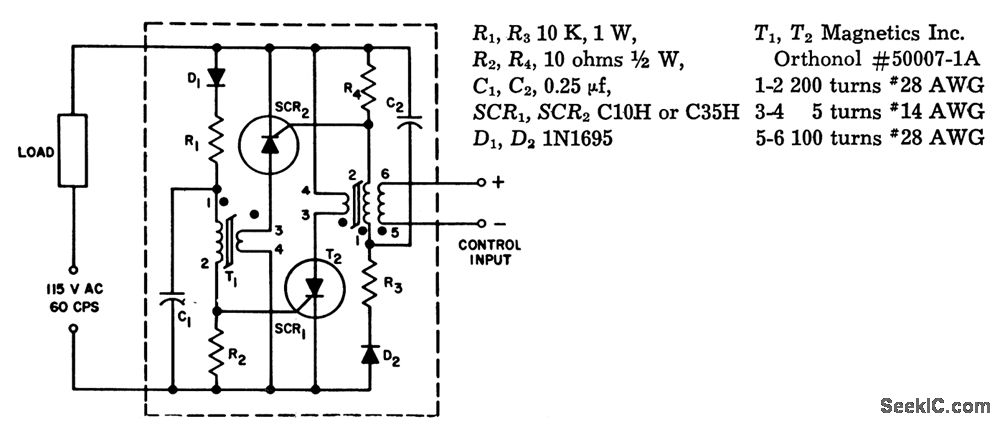
Relay is activated by d-c or a-c control current in single electrically isolated control winding. Can switch load power up to 1.7 kw. Uses magnetic firing circuit in which saturable core is not required to sustain gale voltage for full half-cycle, thereby permitting use of smaller core. Load current must be above 1 amp for conduction to be maintained.-Solid State Latching Relay, Electronic Circuit Design Handbook, Mactier Pub. Corp., N.Y., 1965, p 226.
Reprinted Url Of This Article:
http://www.seekic.com/circuit_diagram/Basic_Circuit/SCR_A_C_LATCHING_RELAY.html
Print this Page | Comments | Reading(3)
Code: