Published:2009/7/6 8:47:00 Author:May | From:SeekIC

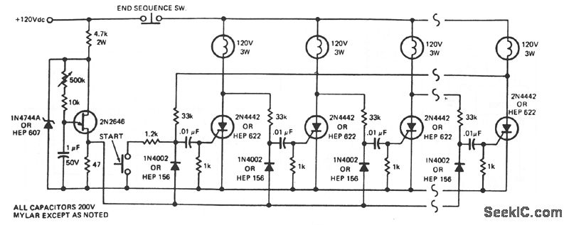
Each lamp lights in succession to give the appearance of a growing column.
Reprinted Url Of This Article:
http://www.seekic.com/circuit_diagram/Basic_Circuit/SCR_OHASER.html
Print this Page | Comments | Reading(3)
Code: