Published:2009/7/14 21:17:00 Author:May | From:SeekIC

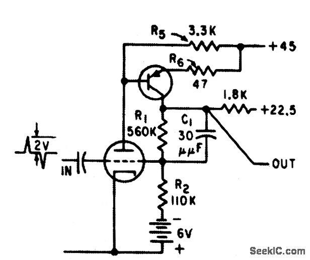
Uses Amperex 6679 triode having fluorescent anode, to eliminate need for neons as indicators. Incorporates collector protection and stabilization against beta variation of transistor.-H. Rodriques deMiranda and I. Rudich, Indicator Triode for Direct Data Readout, Electronics, 33:6, p 52-54.
Reprinted Url Of This Article:
http://www.seekic.com/circuit_diagram/Basic_Circuit/SELF_INDICATING_FLIP_FLOP.html
Print this Page | Comments | Reading(3)
Code: