Published:2009/7/12 21:36:00 Author:May | From:SeekIC

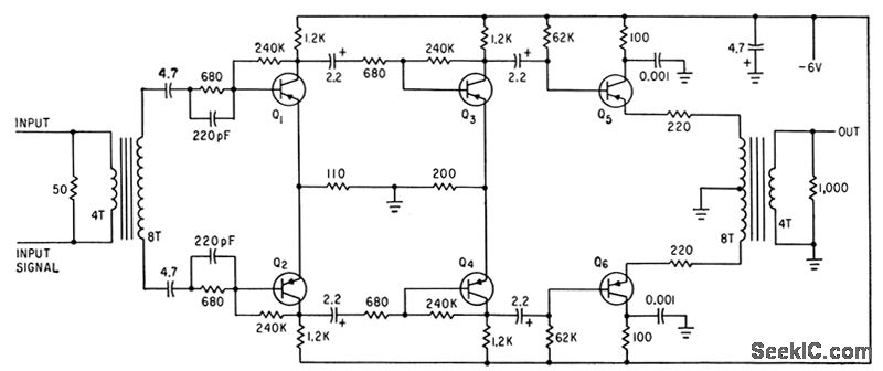
Small signals stored in thin-film momory are amplinfied while rejecting noise from partially selecled bits on same sense line. Circuit is completely isolated differential amplifier operating from low-impedance source.-A.A.Fleischer and E.Johnson, New Digital Conversion Method Provides Nanosecond Resolution, Electronics, 36:18, p55-57.
Reprinted Url Of This Article:
http://www.seekic.com/circuit_diagram/Basic_Circuit/SENSE_AMPLIFIER_READS_MEMORY_DATA.html
Print this Page | Comments | Reading(3)
Code: