Published:2009/7/10 4:14:00 Author:May | From:SeekIC

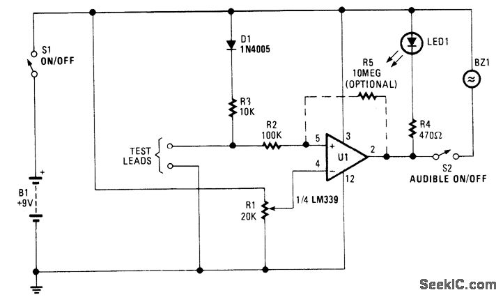
This continuity checker (built around an LM339 quad comparator with open-collector outputs) elimi-nates false readings because of coils or low-resistance devices in a circuit.
U1 is a comparator that acts as a sensing amplifier for the bridge circuit (R1 and D1, R3 and the unknown resistance, RX that is connected across the test leads. When RX is less than this predetermined value (by the setting of R1), the LED lights and BZ1 sounds.
Reprinted Url Of This Article:
http://www.seekic.com/circuit_diagram/Basic_Circuit/SENSITIVE_CONTINUITY_CHECKER.html
Print this Page | Comments | Reading(3)
Code: