Published:2009/7/7 4:06:00 Author:May | From:SeekIC

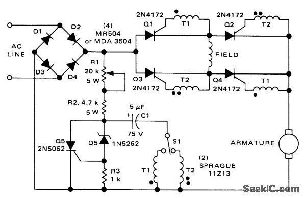
Provides both direction and speed control for fractional-horsepower series-wound or universal DC motors as long as motor current requirements are within SCR ratings. Q1-Q4, connected in bridge, are triggered in diagonal pairs. S1 determines which pair is turned on, to provide direction control. Pulse circuit is used to drive SCRs through T1 or T2. When C1 charges to break-down voltage of zener Q5, zener passes current to gate of SCR Q5 and turns it on. This discharges C1 through T1 or T2 to create desired triggering pulse. Q5 stays on for duration of half-cycle. R1 controls motor speed by changing time required to charge C1, thereby changing conduction angle of Q1-Q4 or Q2-Q3.- Direction and Speed Control for Series, Universal and Shunt Motors, Motorola, Phoenix, AZ, 1976, AN-443.
Reprinted Url Of This Article:
http://www.seekic.com/circuit_diagram/Basic_Circuit/SERIES_WOUND_MOTOR.html
Print this Page | Comments | Reading(3)
Code: