Published:2009/7/17 2:36:00 Author:Jessie | From:SeekIC

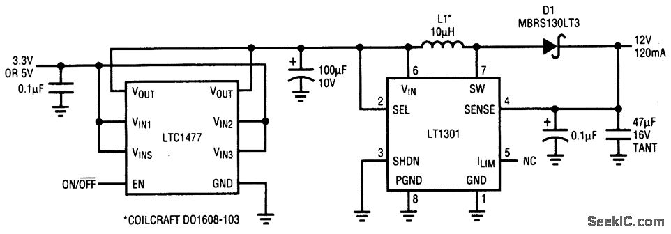
An LT1301 is used in the figure to boost a 3.3-V or 5-V input to 12 V, as for Vpp for flash memory. Although the LT1301 features a shutdown control, the input supply can still feed through to the output through L1 and D1. Similarly, a short circuit on the output could drag down the input supply. With the addition of the LTC1477, the circuit furnishes 100-percent load shutdown and output short-circuit protection.
Reprinted Url Of This Article:
http://www.seekic.com/circuit_diagram/Basic_Circuit/SHORT_PROTECTION_AND_SHUTDOWN_CIRCUIT.html
Print this Page | Comments | Reading(3)
Code: