Published:2009/7/10 2:31:00 Author:May | From:SeekIC

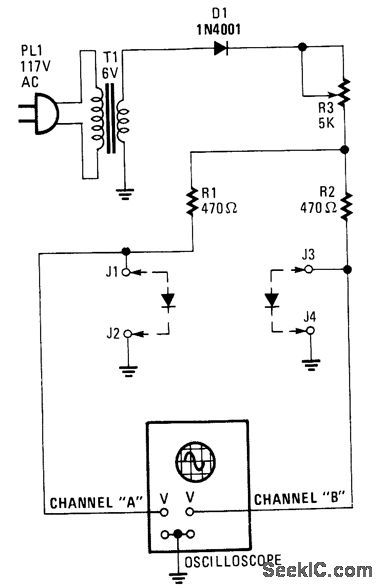
Suitable for matching diodes or examining V/I characteristics of two terminal devices (diodes, etc.), this circuit should be handy for lab use. R1 and R2 can be increased in value and a higher voltage transformer can be used for higher voltage test using this principle.
Reprinted Url Of This Article:
http://www.seekic.com/circuit_diagram/Basic_Circuit/SIMPLE_DIODE_CURVE_TRACER.html
Print this Page | Comments | Reading(3)
Code: