Published:2009/7/4 20:53:00 Author:May | From:SeekIC

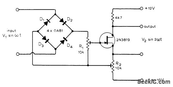
Performance is good up to about 10 kHz. R2 is adjusted to set FET just at cutoff under no-signal conditions, to give operation in square-law region. With R1correctly adjusted, using scope or third harmonic distortion monitor to obtain minimal distoltion, harmonic content of output can be made to approach that of sine-wave input. Article gives design equations.-R. Williams and J. Dunne, Frequency Doubler, Wireless World, Dec. 1975, p 575.
Reprinted Url Of This Article:
http://www.seekic.com/circuit_diagram/Basic_Circuit/SIMPLE_DOUBLER_.html
Print this Page | Comments | Reading(3)
Code: