Published:2009/7/13 4:05:00 Author:May | From:SeekIC

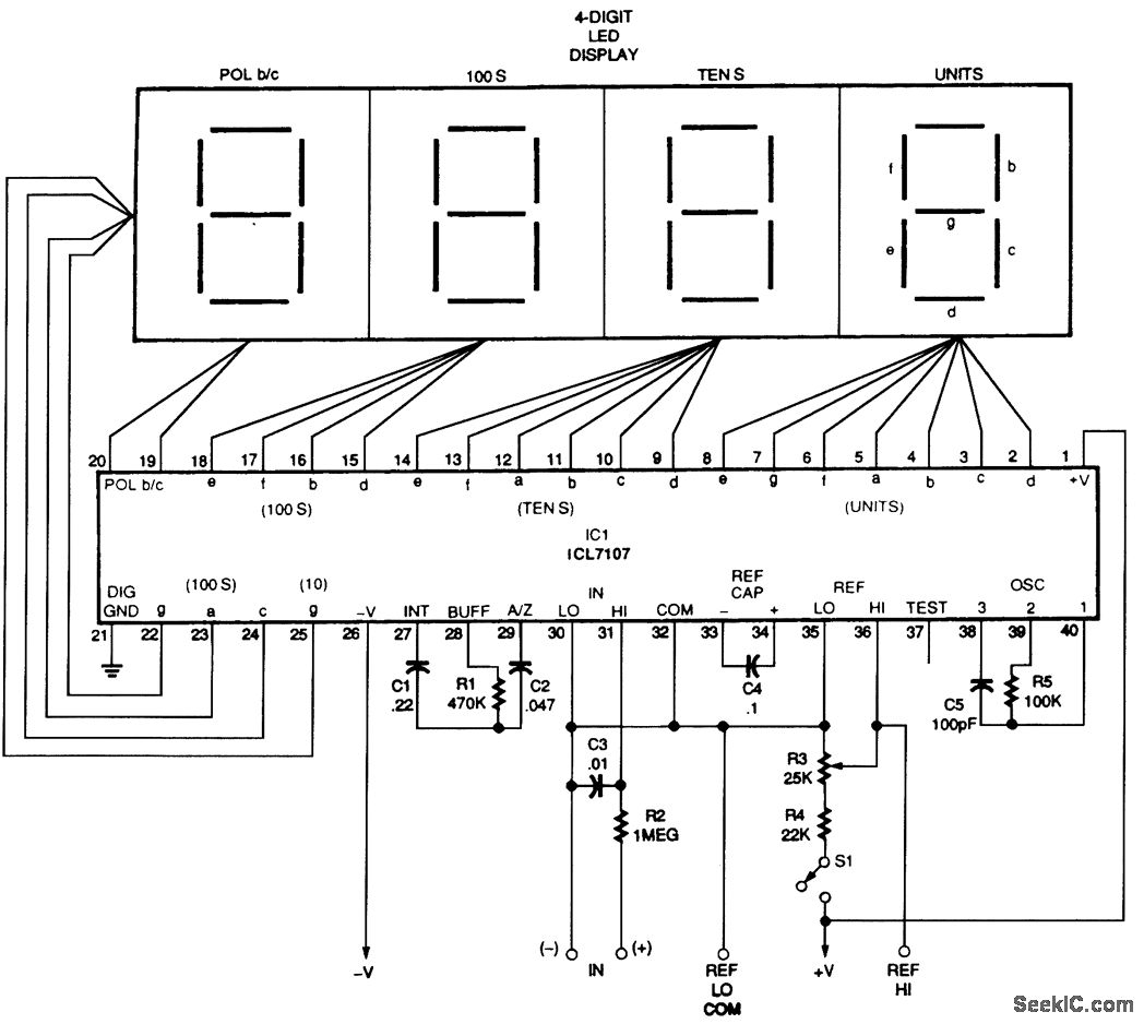
This circuit is designed around a Harris Semiconductor AD converter/LED display driver IC. The power supply is ±5 V.
Reprinted Url Of This Article:
http://www.seekic.com/circuit_diagram/Basic_Circuit/SIMPLE_FOUR_DIGIT_DVM_BASIC_CIRCUIT.html
Print this Page | Comments | Reading(3)
Code: